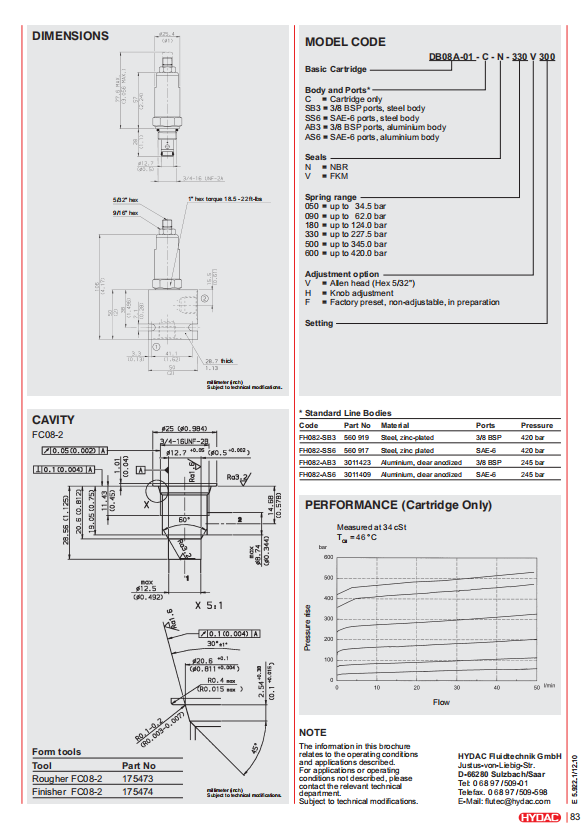
供应德国贺德克HYDAC溢流阀DB08A-01-C-N-330V
供应德国贺德克HYDAC溢流阀DB08A-01-C-N-330V
产品价格:¥3100(人民币)
  • 规格:DB08A-01-C-N-330V
  • 发货地:成都
  • 品牌:
  • 最小起订量:1件
  • 诚信商家
    会员级别:钻石会员
    认证类型:企业认证
    企业证件:通过认证

    商铺名称:成都牧赫液压技术有限公司

    联系人:(小姐)

    联系手机:

    固定电话:

    企业邮箱:cdkdjd@163.com

    联系地址:

    邮编:

    联系我时,请说是在万物包装网上看到的,谢谢!

    商品详情

      成都牧赫液压技术有限公司供应德国贺德克HYDAC溢流阀DB08A-01-C-N-330V

      560418  DB08A-01-C-N-180V 

       560419 DB08A-01-C-N-330V 
       560417 DB08A-01-C-N-090V 
       3144735 DB08A-01-C-N-090H 
       560421 DB08A-01-C-N-600V 
       3076569 DB08A-01-C-N-050H 
       3144736 DB08A-01-C-N-180H
       3080951 DB08A-01-C-N-330H 
       560420 DB08A-01-C-N-500V
      560416 DB08A-01-C-N-050V 
       2596365 DB08A-01-C-N-500V335 
       3655430 DB08A-01-C-N-500F450 
       2591505 DB08A-01-C-N-330V250 
       2599623 DB08A-01-C-N-500V409 
       2599395 DB08A-01-C-N-090V070 
       3010144 DB08A-01-C-V-180V
       3010145 DB08A-01-C-V-330V 
       3115258 DB08A-01-C-N-500H 

    0571-87774297