杜安环保推流搅拌机QJB10/12-620/3-480S 配卷扬机安装
杜安环保推流搅拌机QJB10/12-620/3-480S 配卷扬机安装
产品价格:¥8888(人民币)
  • 规格:QJB10/12-620/3-480S
  • 发货地:江苏南京
  • 品牌:
  • 最小起订量:1台
  • 免费会员
    会员级别:试用会员
    认证类型:企业认证
    企业证件:通过认证

    商铺名称:杜安环保设备(江苏)有限公司

    联系人:李男(先生)

    联系手机:

    固定电话:

    企业邮箱:63582753@qq.com

    联系地址:六合区雄州工业园区腾飞路

    邮编:211500

    联系我时,请说是在万物包装网上看到的,谢谢!

    商品详情

      杜安环保推流搅拌机QJB10/12-620/3-480S 配卷扬机安装

      电机功率10KW

      叶轮直径620mm

      叶轮转速480转/分

      使用电压380V

      配导流罩



      杜安环保潜水搅拌机的随机备件清单:

      序号

      名称

      规格型号

      设备备件材质

      数量

      制造厂家

      1

      手拉葫芦

      1T

      304

      1

      浙江杭州

      2

      电控箱

       

      KZG1101

      304

      1

      杜安环保

      3

      紧固件

      FK

      304

      8

      杜安环保

      4

      电缆夹

      LSJ

      304

      1

      杜安环保

      5

      电机托架

      DJTJ

       

      1

      杜安环保

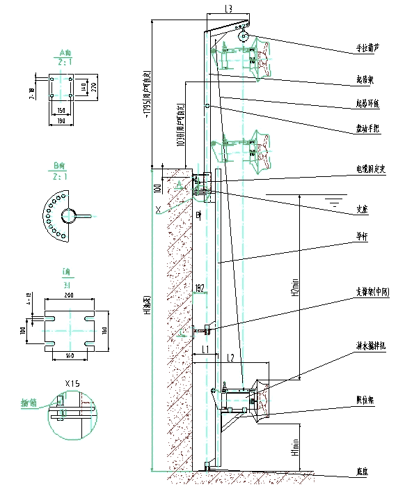
      潜水搅拌机供货范围:

      杜安环保生产成套的潜水搅拌机,包括:潜水搅拌机主机、支架、导杆、吊链、从池底到池顶接线箱之间足够长的潜水电缆、起吊装置及满足搅拌器安全、有效、可靠运行所需的附件、紧固件、备品备件。

      技术要求:

      潜水搅拌机安装基本要求:

      安装在生物池中的水下搅拌器应适于在池中的不同部位,提高活性污泥同进水的混合能力, 并防止污泥发生沉淀。搅拌器必须适合在生物池中连续运行。具体要求如下:

      水力流线型的搅拌桨叶具有自清洗性能。

      电机、搅拌器轴由免维修的油脂润滑轴承支持。

      轴必须不与介质接触。

      搅拌桨叶必须容易更换。

      电机防护等级IP68,绝缘等级F级,周围介质冷却。

      搅拌器设泄漏传感器、轴承温度传感器。

      回转吊杆必须能够自如的提升和下降水下搅拌器。

      回转吊杆的人工卷扬机必须带有安全棘轮锁闭装置,曲柄手把处的较大力不超过22kg

      设现场控制、中控室远程控制、PLC程序控制。

      潜水搅拌机设计和现场要求:

      潜水搅拌机可适应市政污水的腐蚀环境。搅拌器应该在全浸没条件下连续工作。同时应能适应连续运行、间歇运行(每小时多启动次数应能达到 20 )和长期停止状态后恢复运行的工作状况。低速搅拌机浆叶由水下电机通过减速齿轮驱动,高速搅拌器桨叶和电机共轴。

      潜水搅拌机具有足够的混合推流功能,确保运行时厌氧池污泥不发生沉淀和污泥浓度均匀。

      潜水搅拌机可以上下升降,方便的移动,并且应该可以方便地卸下进行检查或服务,而无需人员进入池子或井中。潜水搅拌器应为成套装置,每套搅拌器应配备不锈钢固定支架、导向杆和不锈钢提升装置,使之自由升降及转向。并可在不排空水池的情况下拆卸和安装搅拌器。供货商应根据池体的尺寸及其经验确定搅拌器的功率、叶轮直径和转速,并对其效果负责。

      潜水搅拌机安装在一个可在导杆上滑动的支架上作为一个整体,该支架必须能够承受搅拌器的全部重量和潜水搅拌机运行时所产生的较大推力。

      潜水搅拌机采用双机械密封。机械密封在一个油腔内运行,外机械密封的作用是避免搅拌液进入油腔,内机械密封的作用是避免油腔内的油进入电机。内外机械密封各自单独地运行。投标时必需提供样本以证明。

      潜水搅拌机叶片的数量及是否需设置导流环,导流环材质为304不锈钢,导流环至叶片顶端的距离应能保证设备的水力效率。叶片的设计保证具有良好的水力构造,工作效率高且不会造成阻塞。

      潜水搅拌机在垂直方向的安装高度及在水平方向的安装角度在运行中应可调,其水平角度调整范围应不小于120°。

      潜水搅拌机无振动地平稳运行。所有旋转部件(包括电机)应在制造时进行动、静平衡实验。潜水搅拌机应运行维修成本低,可靠性高和无故障运行时间长。

      潜水搅拌机主要部件材料不低于下列等级:

      潜水搅拌机电机轴:           AISI 420型不锈钢

         片:                   不锈钢,玻璃钢或玻璃纤维强化聚氨酯。

      导杆系统、底座:             304不锈钢

      紧 固 件:                     316不锈钢

         杆:                   304的不锈钢,顶部侧面固定以便于搅拌器,推流器提升。

      人工钢丝绳卷扬机:           抗海水铝或不锈钢304

      提升钢丝绳和扣环:           304不锈钢

         轮:                   高强度耐磨尼龙或不低于304的不锈钢。

       


      售后与技术服务

      1江苏杜安环保应提供优质的技术服务。

      2江苏杜安环保严格按照交付进度提供技术资料和设备。

      3江苏杜安环保提供的潜水搅拌机或潜水推流器有质量保证的各项文件,文件应具有完整性和可靠性。参数江苏杜安环保的售后服务承诺书

      4江苏杜安环保应及时提供业主或客户所需要的技术图纸资料。

      5保证期内因设备质量问题而不能正常工作时,杜安环保应按照质保协议进行免费维修或更换。

      杜安环保潜水搅拌机油漆说明:

      1)不锈钢部件加工完后对其进行表面酸洗钝化处理。

      2)碳钢件、铸件表面除锈达Sa2.5级标准。

      3)涂料由底漆、中间漆、面漆组成,漆膜总厚度不低于300μm。(面漆颜色标配银色)

      4)包装前对机加工面按GB4879标准要求做防腐处理。

      5)运输安装过程中涂层破损,严格按涂装工艺进行修复,其质量水平不低于原涂层的质量水平。



    0571-87774297