江苏杜安环保污泥搅拌机QJB4/6-400/3-960S
江苏杜安环保污泥搅拌机QJB4/6-400/3-960S
产品价格:¥5000(人民币)
  • 规格:QJB4/6-400/3-960S?
  • 发货地:南京
  • 品牌:
  • 最小起订量:1台
  • 免费会员
    会员级别:试用会员
    认证类型:企业认证
    企业证件:通过认证

    商铺名称:杜安环保设备(江苏)有限公司

    联系人:李男(先生)

    联系手机:

    固定电话:

    企业邮箱:63582753@qq.com

    联系地址:六合区雄州工业园区腾飞路

    邮编:211500

    联系我时,请说是在万物包装网上看到的,谢谢!

    商品详情

      江苏杜安环保污泥搅拌机QJB4/6-400/3-960S

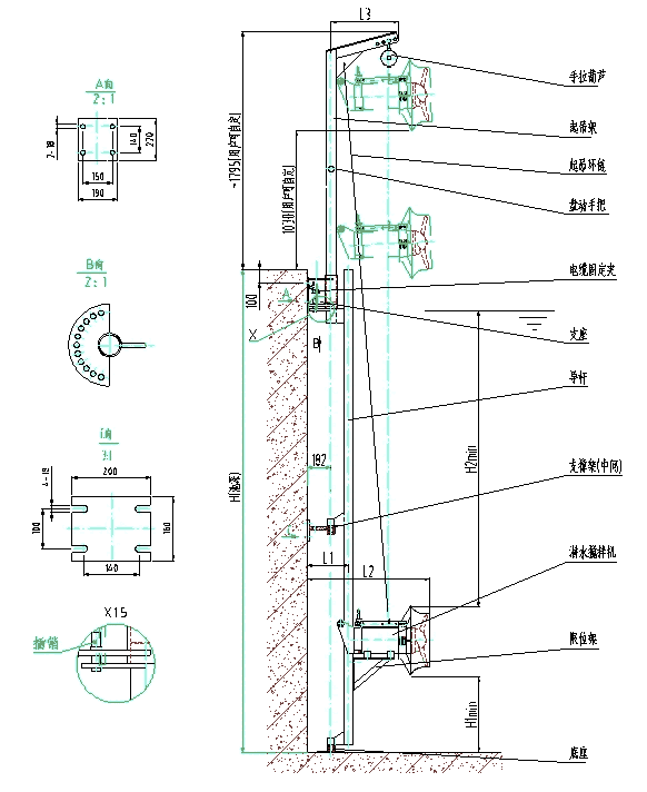
      潜水搅拌机的安装型式分为四种安装方式

      Ⅰ、Ⅱ、Ⅲ、Ⅳ。这四种安装型式的不同主要是根据搅拌机主机结构特点、重量及使用条件来区分的。

          潜水搅拌机安装方式具体说明:

      1、潜水搅拌机的专用安装系统,可在无需排除池中污水的情况下,能快速安装和拆卸搅拌机。

      2、安装系统I只适合用于池深≤3m,机型为QJB0.85/8和QJB1.5/6,可在水平方向和垂直方向调节角度。

      3、安装II、III,导杆可沿水平方向绕Z轴旋转,转角为±60°。

      4、当H>5m,应在安装系统II、III导杆中间添加一支撑架。

      5、支撑架和下托架与池壁、池底均用膨胀螺栓或化学锚栓固定。推荐设预埋件。

      6、安装系统材质采用不锈钢和碳钢防腐两种供选择。

      7、多台搅拌机可共用一套移动起吊系统。

      电压:380V


       木箱包装


      江苏杜安环保潜水搅拌机的电气连接工作是一项危险系数比较高的工作,所以,进行此项工作前,我们需要详细阅读关于电气连接的相关安全注意事项。

            潜水搅拌机电气连接连接相关安全注意事项:

      1、潜水搅拌机在运行前,应用0-500兆欧表检查电机定子绕组对地的绝缘电阻,其绝缘电阻值不得低于50兆欧。

      2、检查实际使用的电压和频率是否与铭牌上的要求相符。潜水搅拌机允许电源电压的变化为额定电压的±5%。当电机没有满负荷运行时,电源电压可以变化额定电压的±10%。

      3、如果电源离搅拌机的距离较远,应适当增加电缆的截面积,减少接头数量,以减小电压降。

      4、为使搅拌机正常运行,请检查确保电缆密封可靠,电缆外皮没有破损。

      5、电缆中的黄绿色,带标志的线为地线,为保证安全,必须将地线接牢,并比其它线长出50mm。

      6、连接电机电缆到起动设备上,检查叶轮的旋转方向。使用三相电源的潜水搅拌机,在初次启动和重新安装后都应检查转动方向,转动方向不正确,会降低搅拌机的流量,可能造成搅拌机过载。

        检查方法为:潜水搅拌机在最终安装前,对于混合搅拌机:从电机方向看去,叶轮为顺时针方向旋转。对于低速推流搅拌机:从电机方向看去,叶轮为逆时针方向旋转。

        如果几台潜水搅拌机连在一个控制器上,各台潜水搅拌机必须单独进行检查。如果旋转方向不正确,可以调换电机电缆接入控制器上三相线中的任意两条线的位置。

      7、潜水搅拌机直接起动时,起动电流一般为额定电流的4~7倍,因此要检查保险丝或电流断路器选择是否确当,确保设置正确。过载保护(热继电器)要根据电机的额定电流值进行设置整定。

       关于潜水搅拌机电气安全连接,在开始工作以前,我们一定要注意以下三点问题。

      1、确保设备与电源断开,不会突然通电。

      2、所有电气设备必须接地,确保接地导线连接正确。

      3、所有电气工作应在一名合格的电气工程师指导下进行。

         不管是安装潜水搅拌机还是使用潜水搅拌机,安全第一。

      使用电压:380V


      杜安环保QJB4/6-400/3-960S污泥搅拌机的控制系统主要是对搅拌机起到保护的作用。设计搅拌机时对控制系统的选择也成为了大部分顾客的选择。

       潜水搅拌机的控制系统主要是指控制箱,箱内有电源、过载、缺相、渗漏和正常工作显示器,保护功能配件相对齐全,指示明确。

          但是,控制系统并不是没有缺点的,其在运行期间,常会出现一些故障问题,比如由于电子元件比较粗糙,会显得保护过于灵敏,经常因过载保护而停机,电路板也发生过烧毁事故。所以,我们在控制箱时,需定时检查其是否处于正常运行状态,如果出现异常情况,立即对潜水搅拌机进行停车检查。

         控制系统的这些保护功能主要是针对潜水搅拌机的电机进行保护的,所以,选用优质的控制箱才能更好的对潜水搅拌机进行保护,保证其正常运行。

         杜安环保QJB4/6-400/3-960S水处理搅拌机

      型号

      江苏杜安环保QJB系列

      搅拌器型式

      QJB型潜水搅拌器

      介质温度

      5~40℃

      介质pH值

      6~9

      水池尺寸

      L×W×H=10850×7100×6500mm(1座)

      介质密度

      ≤1050kg/m3

      水深

      6m搅拌器完全潜水

      池底最小流速

      0.3m/s

      工作状态

      连续工作

      电机功率/额定电流

      2.5kW/7A(供方核实)

      电机绝缘等级

      F

      防护等级

      IP68

      温升等级

      B

      电源

      380V/AC/50Hz/三相三线

      叶轮直径

      400mm

      叶轮转速

      740r/min

      叶片数

      3片

      导杆长度/规格

      6.65m/770×4mm

      设备材质

      S30408

      其他说明

      1)配套所有散件和配件应单独装箱,提供详细配件清单。

      2)配套提供电动机引出专用接线电缆,电缆线径、颜色等应符合有关电缆标准的规定,电缆中应包含接地线并有明显的接地志,引出电缆长度至少10米以上,配套综合保护器、防雨型不锈钢接线盒,提供接线盒与潜水泵间连接电缆及电缆连接附件,并预制完整,电缆接线盒及终端封头满足IP68防水级别。

      3)供方提供设备形式型号及安装形式安装图纸,由需方确认后方可制造。

           


    0571-87774297