CNC6150-ER32伺服钻孔攻牙动力头钻攻主轴头
CNC6150-ER32伺服钻孔攻牙动力头钻攻主轴头
产品价格:¥7788.00(人民币)
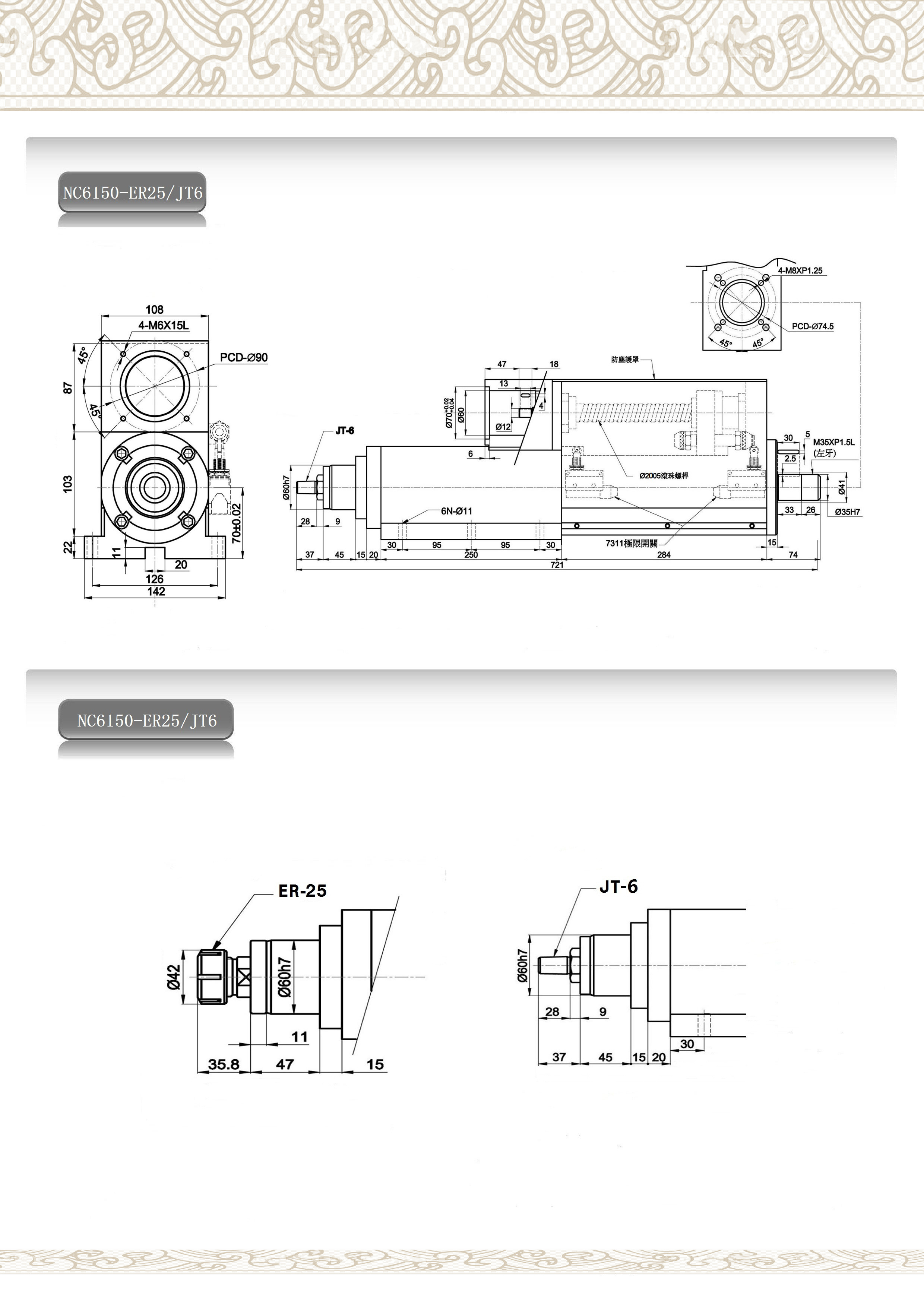
  • 规格:NC6150-ER32
  • 发货地:台湾台湾
  • 品牌:
  • 最小起订量:1
  • 诚信商家
    会员级别:钻石会员
    认证类型:企业认证
    企业证件:通过认证

    商铺名称:新沂晟坤精密机械有限公司

    联系人:周韬(先生)

    联系手机:

    固定电话:

    企业邮箱:765843080@qq.com

    联系地址:台湾省 彰化县 福兴乡 鹿港镇

    邮编:

    联系我时,请说是在万物包装网上看到的,谢谢!

    商品详情
      产品参数
      型号NC4150
      NC6150
      NC7200
      适用机床皆可
      额定转速10000
      最大转速温升20
      动平衡0.01
      主轴锥度ER32
      最大转速噪音20
      锥孔摆阵0.005
      行程150mm
      重量30
      提供加工定制
      是否库存
      是否批发
      产地台湾台中
      品牌台湾晟坤SK







      CNC460(钻孔能力為(S45C) ∮6,攻牙能力為(S45C)M6,X行程為60mm,容许转速為RPM11000,鼻端输出方式為ER16/JT2,滚珠丝杆FSI16-5T3,扭力输出為225Kg)
      CNC4150(钻孔能力為(S45C) ∮6,攻牙能力為(S45C)M6,X行程為150mm,容许转速為RPM11000,鼻端输出方式為ER16/JT2,滚珠丝杆FSI16-5T3,扭力输出為225Kg)



      CNC5100(钻孔能力為(S45C) ∮13,攻牙能力為M10,X行程為100mm,转速為RPM3000,鼻端输出方式為ER25/MT2,滚珠丝杆為FSI16-5T3,扭力输出為226Kg)


      CNC6150(钻孔能力為(S45C) ∮16,攻牙能力為M12,X行程為150mm,转速為RPM3000,鼻端输出方式為ER32/MT2,滚珠丝杆為FSI20-5T4,扭力输出為856Kg)





      CNC7200(钻孔能力為(S45C) ∮30,攻牙能力為M25,X行程為200mm,转速為RPM2500,鼻端输出方式為ER32/MT3,滚珠丝杆為FSI32-5T6,扭力输出為1080Kg)


      CNC9200(钻孔能力為(S45C) ∮40,攻牙能力為M35,X行程為200mm,转速為RPM1500,鼻端输出方式為NT40//ER40/MT4,滚珠丝杆為FSI40-5T6,扭力输出為1580Kg)




















    0571-87774297