本安防爆接线盒矿用隔爆型低压电缆接线盒JHH-8系列24V
本安防爆接线盒矿用隔爆型低压电缆接线盒JHH-8系列24V
产品价格:¥999.00(人民币)
  • 规格:电话询价
  • 发货地:浙江温州
  • 品牌:
  • 最小起订量:1
  • 免费会员
    会员级别:试用会员
    认证类型:企业认证
    企业证件:通过认证

    商铺名称:浙江浦东防爆设备有限公司

    联系人:崔静(先生)

    联系手机:

    固定电话:

    企业邮箱:912551262@qq.com

    联系地址:浙江省乐清市经济开发区

    邮编:111111

    联系我时,请说是在万物包装网上看到的,谢谢!

    商品详情
      产品参数
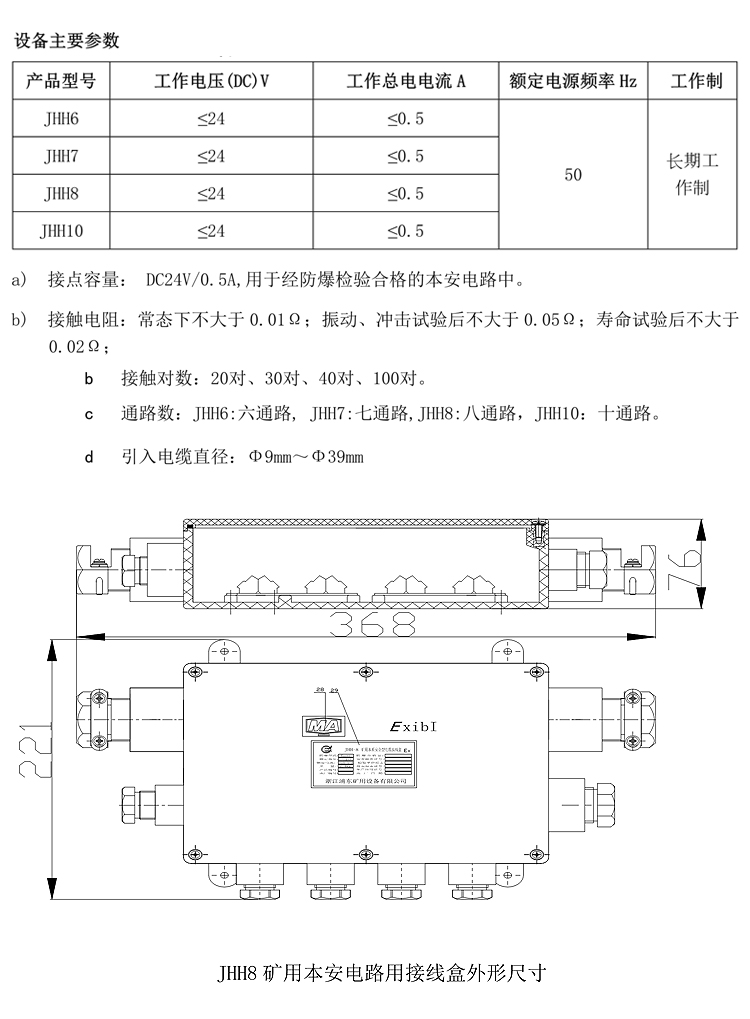
      产品名称本安矿用接线盒
      产地温州
      发货2-10天
      是否现货
      是否厂家
      最小包装数1
      封装常规
      批号01
      额定电压24V
      品牌浦东
      型号JHH-8系列
      产品尺寸38*20*7.5CM







    0571-87774297