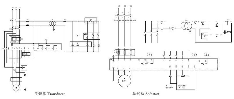
防爆 自耦减压(变频器、软起动)箱
防爆 自耦减压(变频器、软起动)箱
产品价格:¥100(人民币)
  • 规格:防爆 自耦减压(变频器、软起动)箱
  • 发货地:西安
  • 品牌:
  • 最小起订量:1台
  • 诚信商家
    会员级别:钻石会员
    认证类型:企业认证
    企业证件:通过认证

    商铺名称:西安优稳电气科技有限公司

    联系人:孙军阳(先生)

    联系手机:

    固定电话:

    企业邮箱:youwendianqi@163.com

    联系地址:西安市航天基地大兆街道三益村168号

    邮编:710016

    联系我时,请说是在万物包装网上看到的,谢谢!

    商品详情

      西安防爆自耦减压(变频器、软起动)箱 宝鸡防爆自耦减压(变频器、软起动)箱 渭南防爆自耦减压(变频器、软起动)箱

      咸阳防爆自耦减压(变频器、软起动)箱 延安防爆自耦减压(变频器、软起动)箱 榆林防爆自耦减压(变频器、软起动)箱



      适用范围:

      1、1区、2 区危险场所。

      2、II A、II B 类爆炸性环境。

      产品特点:

      1、外壳为钢板焊接而成;经高速抛丸清理后表面高压静电喷塑,不锈钢外露紧固件。

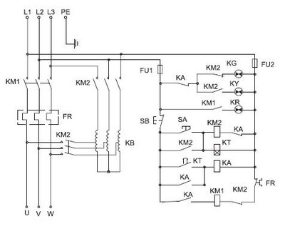
      2、内装有自耦变压器、交流接触器、时间继电器、中间继电器、热继电器、电流互感器、转换开关、熔断器、电压表、电流表、指示灯等。

      3、具有过载、短路、失压、断相保护等功能。

      4、钢管或电缆布线均可。

      5、符合GB3836, IEC60079标准要求。

      主要技术参数:

      1、防爆标志: Exd ⅡB T4

      2、防护等级: IP54

      3、防腐等级: WF1

      4、使用类别: AC-3. AC-4

      5、额定电压: 220V/380V

      6、进线口螺纹: G1 /  "~ G3"

      7、出线口螺纹: G1 /  "~ G3"

      8、电缆外径: φ26mm~φ60mm

      型号Type
      A
      B
      C
      BQJ51-14~28
      900
      450
      300
      BQJ51-45~55
      1190
      550
      350
      BQJ51-75~95
      1420
      650
      450
    0571-87774297