工业安全WIKA612.34玻璃纤维加固膜盒式压力表
工业安全WIKA612.34玻璃纤维加固膜盒式压力表
产品价格:¥6.67(人民币)
  • 规格:完善
  • 发货地:上海上海
  • 品牌:
  • 最小起订量:1
  • 免费会员
    会员级别:试用会员
    认证类型:企业认证
    企业证件:通过认证

    商铺名称:上海祥树欧茂机电设备有限公司

    联系人:刘俊杰(先生)

    联系手机:

    固定电话:

    企业邮箱:245943304@qq.com

    联系地址:上海市闵行区颛桥镇都会路2338号121栋

    邮编:

    联系我时,请说是在万物包装网上看到的,谢谢!

    商品详情
      产品参数
      品牌WIKA
      标准ASME B 40.100
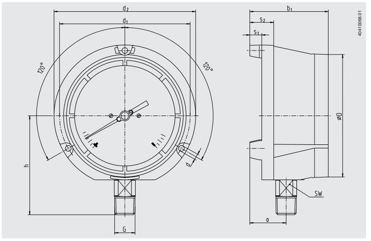
      刻度范围0-2.5kpa/0-60kpa
      尺寸4 ?

      产品描述
      612.34、632.34和633.34型均为高质量膜盒式压力表,专为提高过程工业的安全性而设计。
      膜盒测量原理尤其适用于低压条件。增压时,膜盒元件与入射压力成比例的膨胀会传输至机芯,并会进行指示。
      即使在恶劣的环境条件下,POCAN??玻璃纤维加固外壳也能为重现性测量提供必要的稳定性。
      633.34型填充硅油的表壳可用于具有高动态压力负荷和振动的应用。

      功能特性
      安全版本,带实心隔板设计,符合ASME B 40.100的要求和测试条件
      低刻度范围:0 …2.5 kPa至0 …60 kPa
      表圆尺寸:4 ?" (115 mm)
      POCAN?玻璃纤维加固外壳

      应用
      过程工业:设备建造、化工、石化、发电厂、采矿、海上/近海平台和环境技术
      可用于气体、干燥和腐蚀性介质,也适用于腐蚀性环境











    0571-87774297