SYZ-F40防爆瞬时镇流器 SYZ防爆瞬时电感镇流器
SYZ-F40防爆瞬时镇流器 SYZ防爆瞬时电感镇流器
产品价格:¥1.00(人民币)
  • 规格:SYZ-F40
  • 发货地:温州
  • 品牌:
  • 最小起订量:1台
  • 免费会员
    会员级别:试用会员
    认证类型:企业认证
    企业证件:通过认证

    商铺名称:浙江雅明防爆科技有限公司

    联系人:杨青萍(小姐)

    联系手机:

    固定电话:

    企业邮箱:1686363322@qq.com

    联系地址:乐清市柳市镇

    邮编:325604

    联系我时,请说是在万物包装网上看到的,谢谢!

    商品详情

      SYZ-F40防爆瞬时镇流器 SYZ防爆瞬时电感镇流器

      防爆电子镇流器的工作原理:电子镇流器是一个将工频交流电源转换成高频交流电源的变换器,其基本工作原理是:

      工频电源经过射频干扰RFI滤波器,全波整流和无源(或有源)功率因数校正器(PPFC或APFC)后,变为直流电
      源。通过DC/AC变换器,输出20K-100KHZ的高频交流电源,加到与灯连接的LC串联谐振电路加热灯丝,同时在电容器上产生谐振高压,加在灯管两端,但使灯管"放电"变成"导通"状态,再进入发光状态,此时高频电感起限制电流增大的作用,保证灯管获得正常工作所需的灯电压和灯电流,为了提高可靠性,常增设各种保护电路,如异常保护,浪涌电压和电流保护,温度保护等等。

      SYZ-F40防爆瞬时镇流器 SYZ防爆瞬时电感镇流器八大特点:
      1)节能。荧光灯的电子镇流器,多使用20—60khz频率供给灯管,使灯管光效比工频提高约10%(按长度为4尺的灯管),且自身功耗低,使灯的总输入功率下降约20%,有更佳的节能效果。
       
      2)消除频闪,发光更稳定。有利于提高视觉分辨率,提高功效;降低连续作业的视觉疲劳,有利于保护视力。
      3)起点更可靠。预热灯管后一次起点成功,避免了多次起点。
      4)功率因数高。符合国家标准的25W以上的荧光灯,其功率因数高于0.95。但应注意,国家标准对25W以下的灯管规定的谐波限值很高,以致使其功率因数下降到0.7—0.8
      5)稳定输入功率和输出光通量:高品质产品有良好的稳压性能,在电源、电压偏差很大时,仍能保持光源恒定功率,稳定光照度,有利于节能。
      6)延长灯管寿命。高品质产品的恒功率和灯管电流下降,以及起点可靠等因素可使灯管寿命延长。
      7)噪音低。高品质电子镇流器噪音可达35db以下,人们感觉不到噪音。
      8)可以调光。对于需要调光的场所,如:原使用白炽灯或卤钨灯调光的场所,代之以高效荧光灯配可调光电子镇流器,可实现在2%—100%的大范围调光。需要注意的是,只有设计优良的电子镇流器才能发挥以上各种优点。虽然都是电子镇流器,用于金卤灯的电子镇流器要比用于荧光灯的复杂很多或者说几乎完全不一样。如果设计或制造工艺不到位,一个非常小的疏漏,都会造成故障.

      SYZ-F40防爆瞬时镇流器 SYZ防爆瞬时电感镇流器

      主要技术参数

      —额定电压:AC110V

      —额定频率:50Hz—60Hz

      —额定功率:40W×1

      —功率因数:>0.9

      —防爆标志:ExmIIT4

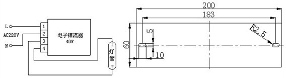
      —外形尺寸:200×60×40mm

      —重    量:0.65kg

      四、接线图及外形安装示意图

      五、荧光灯小知识

      单脚荧光灯:直管荧光灯端头处一端只有1个角点。

      双脚荧光灯:直管荧光灯端头处一端有2个角点。

      单脚荧光灯相对于双脚荧光灯光源瞬间启动快,使用寿命更长,但对电子           的内部配置要求相对要高,价格方面也会相应高。


    0571-87774297