AP5160LED降压型恒流驱动芯片宽电压输入3-150V手电筒IC
AP5160LED降压型恒流驱动芯片宽电压输入3-150V手电筒IC
产品价格:¥0.20(人民币)
  • 规格:完善
  • 发货地:广东深圳
  • 品牌:
  • 最小起订量:1
  • 免费会员
    会员级别:试用会员
    认证类型:企业认证
    企业证件:通过认证

    商铺名称:深圳市世微半导体有限公司

    联系人:(先生)

    联系手机:

    固定电话:

    企业邮箱:3004893308@qq.com

    联系地址:深圳市宝安区西乡街道华源科技创新园B座二区326

    邮编:518100

    联系我时,请说是在万物包装网上看到的,谢谢!

    商品详情
      产品参数
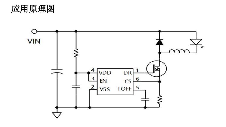
      品牌世微/AP
      调光PWM调光
      电压降3-150V
      MOS外置功率管
      保护功能短路保护/过温保护
      工作温度-40-125℃
      输出电压9V
      电流8000mA
      批号22
      数量3000000
      封装SOT23-6
      应用领域LED 手电筒 ◆ 输出短路保护 ◆ 大功率 LED 驱动 ◆ 内置 5.6V 稳压管 ◆ 电动车,摩托车灯照明
      特色服务免费提供样品及技术支持
      高效率可高达 95
      可售卖地全国
      型号AP5160






    0571-87774297