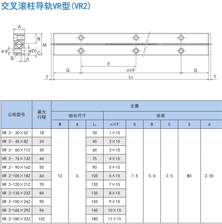
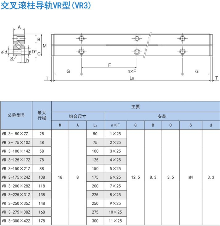
THK交叉滚子导轨VR2-30HX5ZVR3-50HX7ZVR2-60HX11ZVR3-75X10Z
THK交叉滚子导轨VR2-30HX5ZVR3-50HX7ZVR2-60HX11ZVR3-75X10Z
产品价格:¥330.00(人民币)
  • 规格:THK交叉滚子导轨
  • 发货地:山东青岛
  • 品牌:
  • 最小起订量:1
  • 免费会员
    会员级别:试用会员
    认证类型:企业认证
    企业证件:通过认证

    商铺名称:青岛商友工业品有限公司

    联系人:辛爽爽(小姐)

    联系手机:

    固定电话:

    企业邮箱:3994649842@qq.com

    联系地址:

    邮编:

    联系我时,请说是在万物包装网上看到的,谢谢!

    商品详情
      产品参数
      种类交叉滚子导轨
      产地日本
      颜色金属色
      是否定制
      订货号023
      类别交叉滚子导轨
      型号VR2-60HX11Z VR3-175HX24Z
      是否标准件
      滚动轴承座材质轴承钢
      品牌THK

















    0571-87774297